Jesvid Cryo Jesvid Cryo

  • Guntur, Andhra Pradesh
  • vinod.n@jesvidcryo.com
  • +91 8497976862
  • Home
  • About Us
  • Services
    • Industries We Work For
    • Engineering Services
    • Projects We Work
    • Codes, Standards & Regulations
    • Fluids We Deal With
    • Software Tools We Use
  • Gallery
  • Careers
  • Contact Us
Inquiry

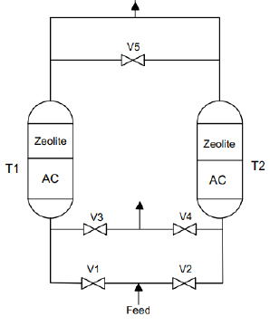
Hydrogen Purification By Pressure Swing Adsorption

Home Projects We Work

Hydrogen Purification By Pressure Swing Adsorption

Pressure swing adsorption(PSA) is a technique used to separate some gas species from a mixture of gases (typically air) under pressure according to the species' molecular characteristics and affinity for anadsorbentmaterial. It operates at near-ambient temperature and used to separate gases.

Features
  • Principle : Adsorption
  • Adsorbate: SYN GAS
  • Adsorbent: Silica gel, Zeolite, Activated Carbon
Applications
  • Gas separation
  • Gas purification
  • Hydrocarbon Recovery
Advantages
  • Selective Separation
  • High Purity
  • Energy Efficiency
  • Ease of Operation and Maintenance
  • Environmentally Friendly

We are providing and undertaking complete basic and detail engineering services. We have well experienced design & drafting team.

vinod.n@jesvidcryo.com

+91 8497976862

company

  • Home
  • About Us
  • Services
  • Gallery
  • Contact Us

Our Services

  • INDUSTRIES WE WORK FOR
  • ENGINEERING SERVICES WE PROVIDE
  • PROJECTS WE WORK ON
  • CODES, STANDARDS & REGULATIONS WE WORK
  • FLUIDS WE DEAL WITH

Copyright © 2024 All Rights Reserved.